
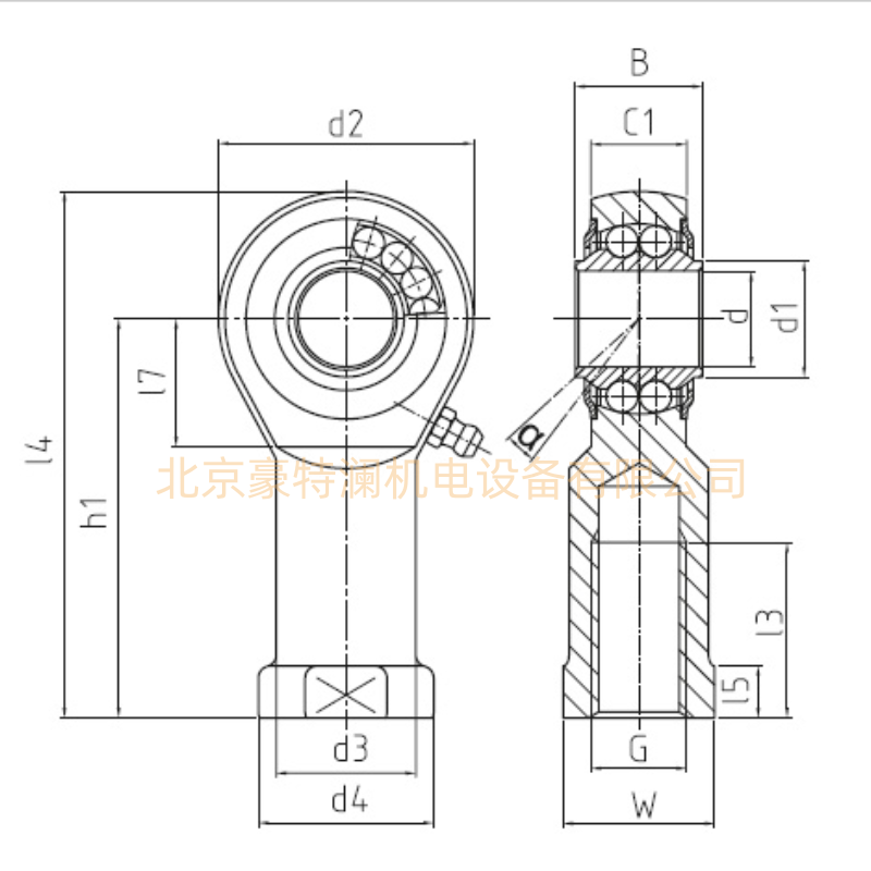
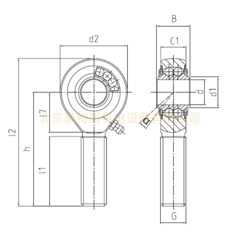
SKF深溝球軸承 NSK深溝球軸承 NSK角接觸球軸承 SKF深溝球軸承 小型感應加熱器
豪特瀾機電-進口軸承整體解決方案提供商!

了解進口軸承從這里開始

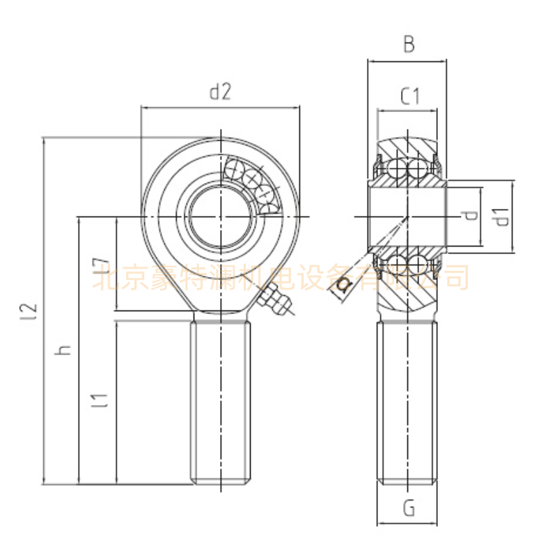
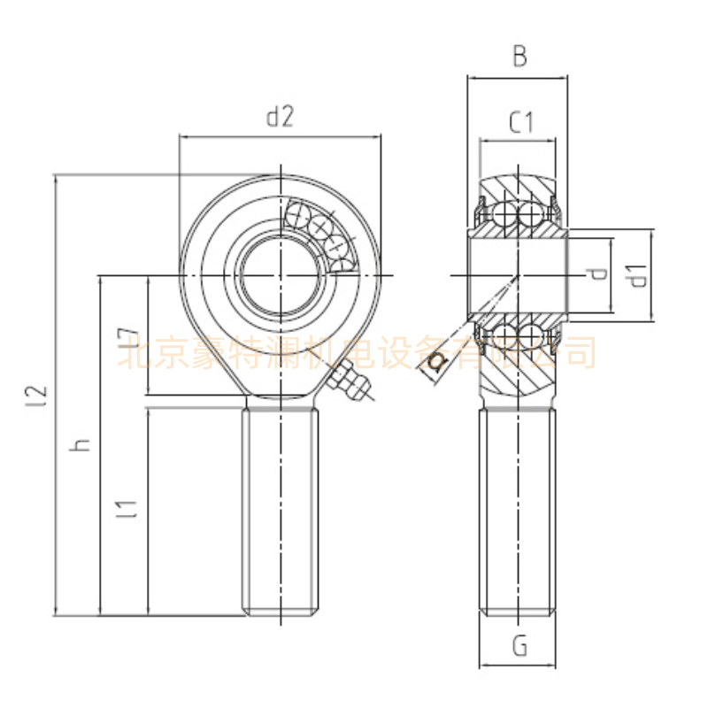
INA轉臺軸承YRTC260-XL尺...
SKF運行異常高溫的原因,現象及處理...
如何改善起動機軸承潤滑不良
進口軸承維修保養需處理毀壞緣故狀況
進口軸承毀壞有哪些構造難題?
SKF軸承的特點

如何檢查進口軸承潤滑油脂是不是霉變
進口軸承平時維護保養之拆裝方法專業知...
進口軸承工作規范的新項目一般是什么
軸承類型選則之幾個因素
TIMKEN圓柱滾子軸承的裝機方法
TIMKEN圓柱滾子軸承保持架分類

水分對軸承壽命的影響有多大
鍛件加熱時產生的缺陷
軸承運行中的五個注意事項
軸承滾子輸送鏈條粘滑如何處理?
分析進口軸承的使用特點
簡述FAG軸承變質層的危害

微信二維碼
Copyright ? 2022 All Rights Reserved 版權所有 :北京豪特瀾機電設備有限公司 備案號:京ICP備2022007473號-1 網站地圖 XML